1
/
of
4
Rexroth
MCR20C2100F280Z31AOM2W 2100cc/rev Hydraulic motor MCR20
MCR20C2100F280Z31AOM2W 2100cc/rev Hydraulic motor MCR20
Low stock: 2 left
Regular price
£7,259.00 GBP
Regular price
£12,556.00 GBP
Sale price
£7,259.00 GBP
Unit price
/
per
PRICE EXCL. VAT
- Super Fast Worldwide Shipping Via Trusted Couriers
- Make Significant Savings Against OEM Parts
- Contact Our Expert Sales Team For Product Advice
- Bulk Purchase Discount Available On All Products. Contact Our Sales Team To Discuss Your Requirements.
Couldn't load pickup availability
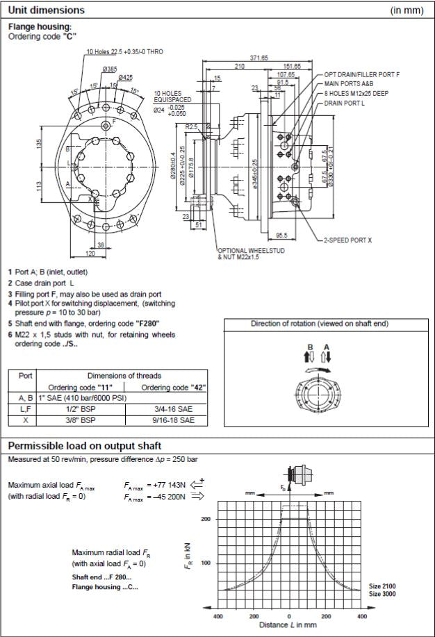
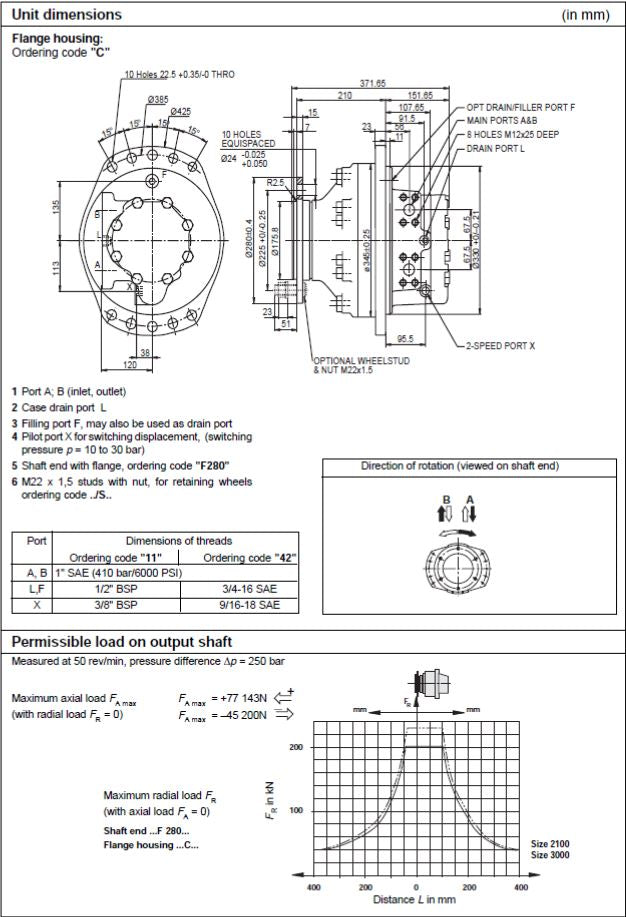
MCR20C2100F280Z31AOM2W Hydraulic Motor -New Unit
- MCR20 MOTOR 2100cc/rev
- 280mm Drive flange
- SAE Flanged A & B Ports
- Up to 450Bar pressure
- Up to 13500Nm Torque
- Twin Speed Function
Machine Fitment
- Drillrigs - Various
- Coring Drillrigs
- High Torque Drillheads



